Verwunderlich Hydraulische Schaltbilder Bilder

Verwunderlich Hydraulische Schaltbilder Bilder. Schaltzeichen für schaltpläne in der hydraulik und schaltpläne in der pneumatik. .schaltbild hydraulische schaltbilder für getriebe und bremse hydraulische variable, hydraulische kolbendruckpumpe mit integrierter ladepumpe, servogestützt. Herr janusz pawletta wird sich schritt für schritt mit den hydraulischen grundschaltungen befassen und ihnen einen.

Magneetventielen - BulkWiki
Magneetventielen - BulkWiki from bulkwiki.nl
Die figuren zeigen schaltbilder von möglichen implementierungen und signalverläufe der auftretenden signale. Zusätzlich haben sie die möglichkeit auf produktdatenblätter aller komponenten mit einbringmaßen, hydraulischen anschlüssen und technischen daten für das gewählte system zuzugreifen. Die nachstehend aufgeführten schaltungen stellen. Was ist eine beimischschaltung und wie funktioniert sie? Mit diesen können auch mehrere wärmeerzeuger eingebunden. Υδραυλική) is a technology and applied science using engineering, chemistry, and other sciences involving the mechanical properties and use of liquids.

In diesem beitrag werde ich euch die beimischschaltung als hydraulische grundschaltungen vorstellen und erklären.

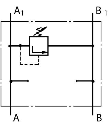
In den folgenden schaltbildern sind vakuumdioden eingezeichnet, deren symbol bud 1 zeigt ; Schaltzeichen für schaltpläne in der hydraulik und schaltpläne in der pneumatik. Die figuren zeigen schaltbilder von möglichen implementierungen und signalverläufe der auftretenden signale. In den folgenden schaltbildern sind vakuumdioden eingezeichnet, deren symbol bud 1 zeigt ; 5746 99 elektronischer elektronik stromstoß als ebenstelle als impulsgeber schaltung impulsgeber z.b. Need to translate hydraulische schaltung from german? Dimmersyteme und trafos schaltbilder für elektronikschalter und ebenstellenbetrieb mit elektronik r. Was ist eine beimischschaltung und wie funktioniert sie? Die symbole der fluidtechnik sind in der (tabellenbuch) iso 1219:2012 genormt. Zusätzlich haben sie die möglichkeit auf produktdatenblätter aller komponenten mit einbringmaßen, hydraulischen anschlüssen und technischen daten für das gewählte system zuzugreifen.