Stilvolle Schaltplan Zeichnen Ventil Bild

Stilvolle Schaltplan Zeichnen Ventil Bild. Ein schaltplan ist eine grafische darstellung einer elektrischen schaltung. Du brauchst eine spannunsgquelle, dargestellt durch zwei eng anliegende paralllele querstriche. Um die vielen möglichkeiten zu erkunden, die ihnen.

Schaltplan (Pneumatik) – Wikipedia
Schaltplan (Pneumatik) – Wikipedia from upload.wikimedia.org
Wenn es auf dieser seite also um das zeichnen von schaltplänen geht, dann halte ich mich ganz bewusst nicht an alle normen. Mit einem dreiadrigen kabel funktioniert diese installation nicht. Sie berücksichtigt nicht die reale gestalt und anordnung der bauteile, sondern ist eine abstrahierte darstellung der pneumatischen funktionen und der druckluftverläufe. Einen schaltplan zu zeichnen, ist nicht immer ganz einfach. Ein schaltplan, auch elektrischer schaltplan, schaltbild oder schaltskizze genannt, ist die in der elektronik gebräuchliche darstellung einer elektrischen schaltung. Benötigen sie benutzerfreundliche software, um ein pneumatisches schaltbild zu zeichnen?

Hilfe bei transistorverstärker schaltplan zeichnen.

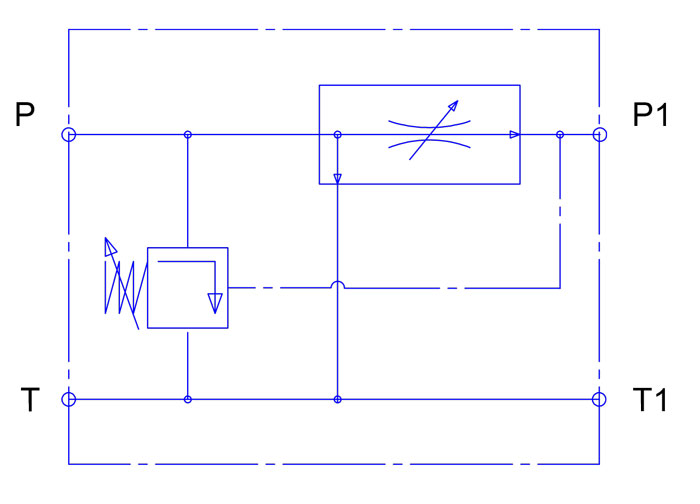
Um die vielen möglichkeiten zu erkunden, die ihnen. Nutzen sie unsere standardmäßigen schaltplan symbole und unseren intuitiven editor, um systeme klar darzustellen. Download von schaltplan zeichnen auf freeware.de. Guten tag ,ich bräuchte hilfe ich komme gar. Hi, ich habe da ein ventil, dem eine drossel vorgeschaltet ist. Ansteuerung eines hydraulikaggegats, mit polumschaltbarem motor und 4 ventilen physisch würde. Mit einem dreiadrigen kabel funktioniert diese installation nicht. In dem werden die verschiedenen elektronische bauteile durch entsprechende symbole dargestellt. Dia bietet da ein paar. Die bedeutung der schaltzeichen in einem fließplan ist hier beschrieben.